Aktuelle Promotionen

GW Instek
Wir haben jetzt ein Demogerät GDS-207 für Sie zum Test und zur Evaluation. Alle GDS-200 und GDS-300 Handheld Oszilloskope können wir Ihnen ab sofort 30% günstiger anbieten. Das GDS-207 mit 70 MHz Bandbreitei und 1 GS/s bei 1 MS Speicher erhalten Sie schon ab Sfr. 895.- . Zögern Sie nicht ein Angebot anzufordern.
Teledyne LeCroy
Spectrum Analyzer zu HDO4000 Oszilloskop - Diese Software Option kommt zu jedem HDO4000 kostenlos hinzu.Möchten Sie die Vorzüge von 12-bit Oszilloskopen mit dieser Sepctrum-Software testen?
Teledyne LeCroy

WaveSurfer 3000 Oszilloskop Promotionen

- EMB - Dekodieren und Triggern der Bus-Signale I2C, SPI, UART und RS232
- AUTO - Dekodieren und Triggern der Bus-Signale CAN und LIN
- FG - 1-Kanal Funktions- und Arbiträrgenerator

Testen Sie mich! Fordern Sie eine Gratis-Demo an.

 
 
GW Instek
Wir haben jetzt ein Demogerät GDS-207 für Sie zum Test und zur Evaluation. Alle GDS-200 und GDS-300 Handheld Oszilloskope können wir Ihnen ab sofort 30% günstiger anbieten. Das GDS-207 mit 70 MHz Bandbreitei und 1 GS/s bei 1 MS Speicher erhalten Sie schon ab Sfr. 895.- . Zögern Sie nicht ein Angebot anzufordern.
1
Teledyne LeCroy
Spectrum Analyzer zu HDO4000 Oszilloskop - Diese Software Option kommt zu jedem HDO4000 kostenlos hinzu.Möchten Sie die Vorzüge von 12-bit Oszilloskopen mit dieser Sepctrum-Software testen?
2
Teledyne LeCroy

WaveSurfer 3000 Oszilloskop Promotionen

- EMB - Dekodieren und Triggern der Bus-Signale I2C, SPI, UART und RS232
- AUTO - Dekodieren und Triggern der Bus-Signale CAN und LIN
- FG - 1-Kanal Funktions- und Arbiträrgenerator

Testen Sie mich! Fordern Sie eine Gratis-Demo an.

3

Analyzing Power Semiconductor Devices (E)

Introduction

Power electronics systems require optimized design to minimize device switching, conduction, and off-state losses. Having tools that provide more insight into device losses provides the designer with more confidence in power electronics reliability under all operating conditions.

Teledyne LeCroy's PWR software option provides an exceptional ability to measure and analyze the operating characteristics of power conversion devices and circuits. The software easily performs all aspects of device analysis such as device instantaneous power, switching losses, safe operating area (SOA), saturation voltage, dynamic on-resistance, dv/dt or di/dt, and saturation hysteresis curves of magnetic devices.

Device Measurements

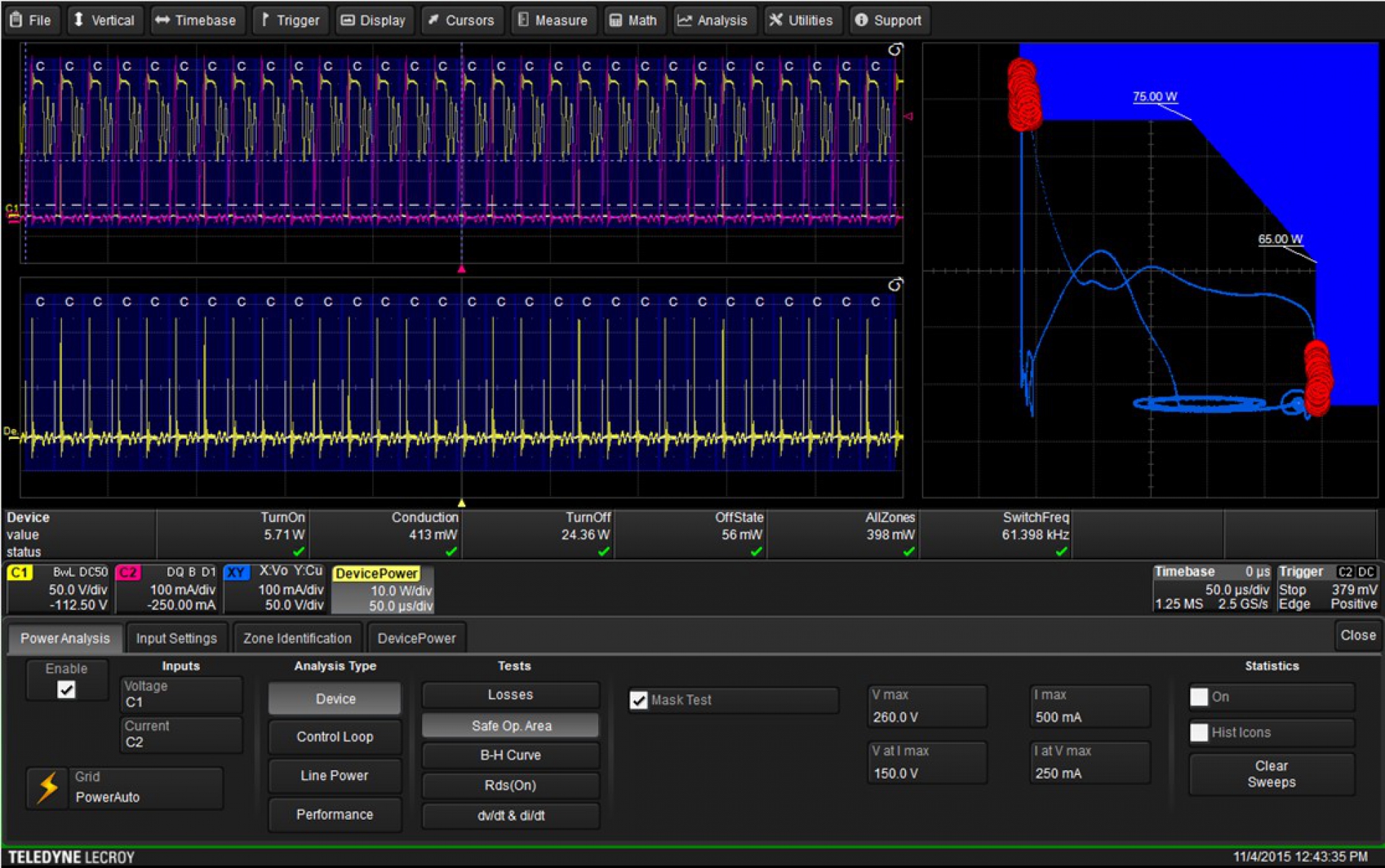
The Teledyne LeCroy PWR software option simplifies the measurement of in-circuit power devices’ switching characteristics. Loss measurements, as shown in Figure 1, include automatic identification of zones using color-specific overlays to mark conducting and on/off state regions of device operation. The parameters, shown under the graticule, display turn-on, conduction, turn-off, off state, all zones, and switching frequency. The display control allows values to be viewed as mean power, peak power, or energy(joules). Figure 1 shows drain-source voltage, drain current, and power dissipation of a MOSFET switch. In this example, the switching loss of All Zones is 7.17 μJoules of energy.

Figure 1 - Device Loss measurement parameters include turn-on, conduction, turn-off, off state, all zones and switching frequency 
Figure 1 - Device Loss measurement parameters include turn-on, conduction, turn-off, off state, all zones and switching frequency

For power-supply reliability, it is critical to confirm that voltage and current through a MOSFET does not exceed the manufacturer’s design limits. A supply must be tested for all possible operating conditions (load changes, line changes, short circuits, open loads, etc.). Figure 2 shows Safe Operating Area (SOA) and Y-T waveforms (voltage and current) capturing multiple cycles of a power-supply start up. One may perform mask testing on the Y-T waveforms, which provides markers when the boundaries of the mask are encroached.

Figure 2 - Safe Operating Area plot with mask testing enabled 
Figure 2 - Safe Operating Area plot with mask testing enabled

Teledyne LeCroy's high-performance differential amplifiers, such as the DA1855A with matched probes, provide excellent overdrive recovery, which allows precise voltage studies. Because the DA1855A offers excellent overdrive recovery, a device’s signal can be overdriven off the screen while the vertical and horizontal control is used to zoom in on the section of interest. Generally speaking, using this technique on the oscilloscope itself will saturate the instrument's front end amplifier; recovery takes some time. The DA1855A lets you overdrive the signal without concern for errors when it comes back on-screen. A primary application of this type is the determination of MOSFET dynamic on-resistance illustrated in Figure 3.

Figure 3 - Dynamic on-resistance test measures resistance to the current when the device is turned on. Note that because the saturation voltage waveform is off the screen during the non-saturation portion of the circuit, the math-generated resistance waveform should be ignored during this time. 
Figure 3 - Dynamic on-resistance test measures resistance to the current when the device is turned on. Note that because the saturation voltage waveform is off the screen during the non-saturation portion of the circuit, the math-generated resistance waveform should be ignored during this time.

Setting up Device Measurements

Setting up device measurements is easy using the PWR software option. Before making power measurements, it is important to eliminate any DC offset from the measurement system, deskew voltage and current probes, and set levels for zone identification.

Any DC offset within the measurement system, including oscilloscope, current probes, and voltage probes, can cause erroneous results. Run AutoZero on voltage and current probes, which is available in the probe control menu of Teledyne LeCroy active probes. Additionally, for the most accurate measurements, remove DC offset from the system by adjusting the probes’ Fine DC Offset control. Figure 4 shows the fine DC offset setting control, located beneath the Input Settings tab. Use this control with the OffState parameter to eliminate any remaining offset. Adjust the fine DC offset of the current probe until the OffState level is as close to zero as possible.

Skew between voltage and current probes can also create measurement error. Eliminate any skew between voltage and current probes by aligning the edges of voltage and current waveforms from a synchronous source. To align the waveforms, add deskew values in the PWR software option input settings dialog or in the channel setup dialog. The Teledyne LeCroy DCS015 makes a fine synchronous signal source for voltage and current waveforms.

Figure 4 - Fine DC offset and Deskew values can be adjusted to ensure any DC offset has been eliminated from the measurement system, and to remove any timing errors. 
Figure 4 - Fine DC offset and Deskew values can be adjusted to ensure any DC offset has been eliminated from the measurement system, and to remove any timing errors.

Configure zone identification by using the top and base calculation of the voltage and current waveforms, or with user-defined top and base levels. Heavy signal oscillation at high and low levels of the waveforms could interfere with correct calculation of the top and base levels. In this case, it is better to set top and base value to Levels, and manually enter the top level and base level. Thresholds for turn-on high, low, and turn-off high can be set with absolute or percentage values. Percentage values are derived from Top and Base. Often, device manufacturers will specify switching losses based on threshold defined by percentage.

Figure 5 shows the levels that create the window for the conduction measurement.

Figure 5 - Zone Identification is easily set up by defining the transition threshold levels. 
Figure 5 - Zone Identification is easily set up by defining the transition threshold levels.

Conclusion

As seen in these few examples, the tools available in Teledyne LeCroy’s PWR software option make short work of all aspects of device analysis such as device instantaneous power, switching losses, safe operating area (SOA), saturation voltage, dynamic on-resistance, dv/dt or di/dt, and saturation hysteresis curves of magnetic devices. All of these measurements are just a button push or screen touch away.

Das ist eine Applikations-Schrift von Teledyne LeCroy.