Aktuelle Promotionen

GW Instek
Wir haben jetzt ein Demogerät GDS-207 für Sie zum Test und zur Evaluation. Alle GDS-200 und GDS-300 Handheld Oszilloskope können wir Ihnen ab sofort 30% günstiger anbieten. Das GDS-207 mit 70 MHz Bandbreitei und 1 GS/s bei 1 MS Speicher erhalten Sie schon ab Sfr. 895.- . Zögern Sie nicht ein Angebot anzufordern.
Teledyne LeCroy
Spectrum Analyzer zu HDO4000 Oszilloskop - Diese Software Option kommt zu jedem HDO4000 kostenlos hinzu.Möchten Sie die Vorzüge von 12-bit Oszilloskopen mit dieser Sepctrum-Software testen?
Teledyne LeCroy

WaveSurfer 3000 Oszilloskop Promotionen

- EMB - Dekodieren und Triggern der Bus-Signale I2C, SPI, UART und RS232
- AUTO - Dekodieren und Triggern der Bus-Signale CAN und LIN
- FG - 1-Kanal Funktions- und Arbiträrgenerator

Testen Sie mich! Fordern Sie eine Gratis-Demo an.

 
 
GW Instek
Wir haben jetzt ein Demogerät GDS-207 für Sie zum Test und zur Evaluation. Alle GDS-200 und GDS-300 Handheld Oszilloskope können wir Ihnen ab sofort 30% günstiger anbieten. Das GDS-207 mit 70 MHz Bandbreitei und 1 GS/s bei 1 MS Speicher erhalten Sie schon ab Sfr. 895.- . Zögern Sie nicht ein Angebot anzufordern.
1
Teledyne LeCroy
Spectrum Analyzer zu HDO4000 Oszilloskop - Diese Software Option kommt zu jedem HDO4000 kostenlos hinzu.Möchten Sie die Vorzüge von 12-bit Oszilloskopen mit dieser Sepctrum-Software testen?
2
Teledyne LeCroy

WaveSurfer 3000 Oszilloskop Promotionen

- EMB - Dekodieren und Triggern der Bus-Signale I2C, SPI, UART und RS232
- AUTO - Dekodieren und Triggern der Bus-Signale CAN und LIN
- FG - 1-Kanal Funktions- und Arbiträrgenerator

Testen Sie mich! Fordern Sie eine Gratis-Demo an.

3

Tameq AppNote-Teledyne LeCroy Oszilloskop-WaveSurfer 3000-Erfasste Kurven mit dem internen Arbiträrgenerator abspielen (D)

Einführung

Das Oszilloskop WaveSurfer 3000 von Teledyne LeCroy hat optional einen integrierten 1-Kanal Funktions- und Arbiträr Waveform-Generator mit einer Speichertiefe von 16 kS. Wie lässt sich nun eine erfasste Kurve einfach in den Arbiträrgenerator übertragen und abspielen? Dieses Dokument widmet sich dieser Frage und führt den Anwender durch den Prozess vom Erfassen der Kurve mit dem Oszilloskop bis zum Abspielen dieser erfassten Kurve und dem Vergleich der beiden.

Kurve aufzeichnen mit dem WaveSurfer 3000

Das gewünschte Signal muss mit mindestens einer Periode erfasst sein, falls es ein periodisches Signal ist. Umso besser falls es gerade passt, eine volle Periode des Signals in der Datenerfassung darzustellen.

Abbildung 1 - Signal-Erfassung vom Signal, das anschliessend generiert werden soll. 
Abbildung 1 - Signal-Erfassung vom Signal, das anschliessend generiert werden soll.

Kurve ausmessen

Zuerst muss die Frequenz des Signals bestimmt werden, das mit dem Arbiträrgenerator generiert werden soll. Dies kann entweder mit den Cursor der der Parameter-Messung durchgeführt werden.

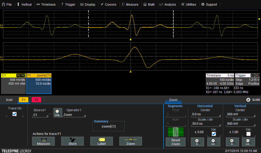
Im obigen Fall wurden die Cursor verwendet. Das deltaX zeigt eine Zeit von 333 ns an und die berechnete Frequenz 1/deltaX ist etwas mehr als 3 MHz. An dieser Stelle kann auch schon abgeschätzt werden, ob die Kurve überhaupt in den Arbiträr-Speicher passt. Da die gesamte Kurve einen Speicherplatz von 4 kS belegt passt auch der Ausschnitt zwischen den Cursor in den Speicher. Falls die Kurve, die der Generator laden muss grösser als 16 kS ist, wird nur der erste Teil der Kurve bis zu den ersten 16 kS an Daten eingelesen und der Rest wird abgeschnitten.

Der integrierte Generator kann maximal eine Wiederholrate von 5 MHz abspielen. Die gemessenen 3 MHz können also problemlos wiedergegeben werden.

Abbildung 2 – Die Wiederholrate des Signals ist 3 MHz – deltaX = 333 ns, 1/deltaX = 3.003 MHz. 
Abbildung 2 – Die Wiederholrate des Signals ist 3 MHz – deltaX = 333 ns, 1/deltaX = 3.003 MHz.

Zoom-Kurve in Zeitfenster einpassen

Jetzt muss versucht werden, die Kurve so einzupassen, dass eine volle Periode im Erfassungsfenster ist. Das macht man am besten mit einem Mathematik-Kanal, der als Zoom vom Erfassungskanal definiert wird.

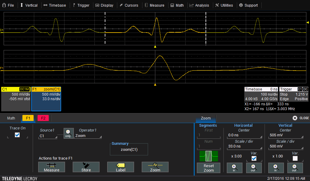
F1 = Zoom (C1) definiert ermöglicht, mit einem variablen Horizontal-Zoom ein Annähern der Zeitbasis an das gewünschte Zeitfenster. In unserem Beispiel sind das 333 ns, die zwischen den Cursor sind. Im folgenden Bild sieht man, dass auch das Zeitfensters des Zooms (C1) genau 10 x 33 ns/div = 333 ns entsprechen.

Abbildung 3 – Einpassen des gezoomten Signales mit Var. Horizontal auf genau eine Periode des zu generierenden Signales. 
Abbildung 3 – Einpassen des gezoomten Signales mit Var. Horizontal auf genau eine Periode des zu generierenden Signales.

Vertikaler Eingangsbereich optimal ausnutzen

Eine weitere Überlegung können wir anstellen in Bezug auf die Amplitude. Je besser aufgelöst das erfasste Signal ist, also umso mehr der Eingangsbereichs ausgefahren wurde, desto kleiner ist das Quantisierungsrauschen in Bezug zur Signal-Amplitude. Dieser Effekt wird erkennbar, wenn nur ein kleiner Teil des Eingangsbereichs ausgenutzt wird und die einzelnen Binärstufen sichtbar werden. Der variable Gain von C1 ermöglicht ein Herantasten an ein optimales Ausnutzen des Eingangsverstärkers und des AD-Wandlers.

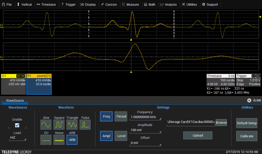
Kanal 1 wird erfasst im vertikalen Mode Variable Gain bei 410 mV/div. Damit wird praktisch der volle AD-Wandler-Bereich genutzt.

Abbildung 4 – Optimale Ausnutzung des vertikalen Eingangsbereiches mit Variable Gain (410 mV/div). 
Abbildung 4 – Optimale Ausnutzung des vertikalen Eingangsbereiches mit Variable Gain (410 mV/div).

Daten exportieren als ASCII-Daten im csv-Format

Wenn nun alle Einstellungen in Ordnung sollte mit diesen Einstellungen eine neue Erfassung durchgeführt werden. Diese Kurve kann jetzt aus dem Kanal F1 in eine Datei exportiert werden. Das Format, das sich sehr gut eignet zum Laden in den Arbiträrgenerator, ist das Format Excel (csv-Format), Time & Amplitude. Der Datei kann unter Trace Titel ein Titel zugeordnet und unter Browse kann ein beliebiger Pfad angewählt werden. An dieser Stelle wird die Taste Save Now! geklickt, um die Kurve abzuspeichern.

Die Daten von Source F1 werden in Excel-Format (csv) im SubFormat Time & Amplitude in die Datei F1Cardiac00000.csv auf die Storage Card geschrieben.

Abbildung 5 – Save Now! Im Format csv mit Zeit und Amplitude in die Datei F1Cardiac00000.csv. 
Abbildung 5 – Save Now! Im Format csv mit Zeit und Amplitude in die Datei F1Cardiac00000.csv.

Daten in Arbiträrgenerator hochladen

Zuerst wird mit der Browse-Funktion im Fenster WaveSource nach der Datei gesucht, die soeben abgespeichert wurde. Das folgende Bild zeigt den Datei-Browser.

Nachdem die Datei ausgewählt und der Vorgang mit OK abgeschlossen wurde steht der Name der Datei im Browse-Fenster.

Abbildung 6 – Die gespeicherte Kurve mit dem Datei-Browser anwählen und OK klicken. 
Abbildung 6 – Die gespeicherte Kurve mit dem Datei-Browser anwählen und OK klicken.

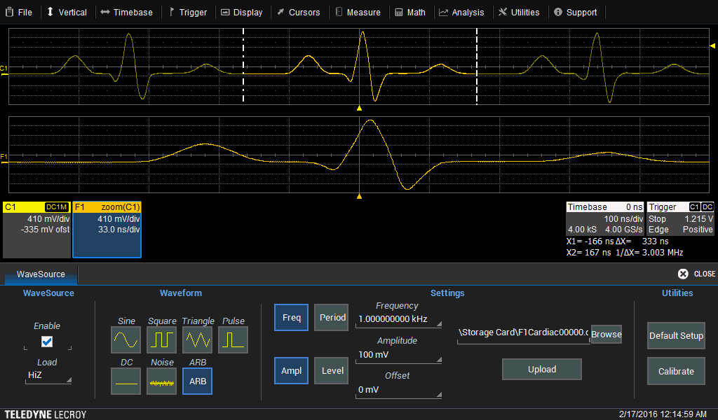
Jetzt muss nur noch Upload geklickt werden, damit die Daten aus der angewählten Datei in den Speicher des Arbiträrgenerators geladen werden.

Abbildung 7 – Die gewünschte Datei wurde angewählt. Mit Upload wird die Kurve in den Arbiträr-Speicher geladen 
Abbildung 7 – Die gewünschte Datei wurde angewählt. Mit Upload wird die Kurve in den Arbiträr-Speicher geladen

Mit einer BNC-Kabel-Verbindung kann das Signal vom Ausgang des Generators auf der Rückseite des Oszilloskops zu einem freien Eingangskanal eingespiesen werden.

Frequenz und Amplitude des Generators einstellen

Abbildung 8 – Der Vergleich der Signale zeigt, dass sie sich nach Einstellung von Frequenz und Amplitude sehr ähnlich sind. 
Abbildung 8 – Der Vergleich der Signale zeigt, dass sie sich nach Einstellung von Frequenz und Amplitude sehr ähnlich sind.

Im Fenster WaveSource können die Wiederhol-Frequenz unter Frequency der geladenen Kurve sowie die Amplitude eingestellt werden. Die Kurvenform in C2 ist im Vergleich zur Ausgangskurve von C1 sehr ähnlich, allerdings klappt es mit dem stabilen Triggern noch nicht. Die beiden Signalquellen, ein externer Funktionsgenerator und der interne Arbiträrgenerator laufen ohne Synchronisation. Zusätzlich haben wir allenfalls eine kleine Phasenverschiebung pro Periode, falls das Zeitfenster nicht perfekt abgebildet wurde.

Die Triggerbedingungen anpassen um den Daten-Vergleich durchzuführen

Auch wenn die beiden unabhängigen Signalquellen frei gegeneinander laufen kann eine stabile Triggerung erreicht werden. Im obigen Fall wird der logische Patterntrigger angewandt, der beide Signale UND-Verknüpft bei einem Trigger-Level, der pro Kanal gesetzt werden kann. Ein kleiner Zeitversatz lässt sich bei dieser Art der Triggerung nicht vermeiden.

Abbildung 9 – Mit einem Pattern-Trigger C1=1, C2=1 wurde erreicht, dass das Signal stabil triggert. 
Abbildung 9 – Mit einem Pattern-Trigger C1=1, C2=1 wurde erreicht, dass das Signal stabil triggert.

Die Grenzen des WaveSurfer 3000-internen Arbiträrgenerators

In seinen Grenzen ist der integrierte Funktions- und Arbiträrgenerator sehr flexibe einsetzbar. Folgende Punkte müssen beim Einsatz berücksichtigt werden:

  • Die Anzahl der Samples ist auf 16 kS begrenzt. Datensätze, die grösser sind als 16 kS werden bei dieser Limite abgeschnitten

  • Die maximale Wiederholrate der Kurve von 16 kS Datenlänge ist 5 MHz. Das entspricht einer Periodendauer von minimal 200 ns. Schnellere Wiederholraten können mit dem WaveSurfer-internen Kurvengenerator nicht abgespielt werden.
  • Der Arbiträrgenerator hat einen internen Clock von 125 MS/s. Kurven, die mit 4 GS/s abgetastet wurden können dementsprechend nicht gleich nachgebildet werden. Es kann mit der Einstellung des Datenerfassungsspeichers versucht werden, die Abtastrate zu reduzieren. Falls schnellere Clock-Raten benötigt werden empfehlen wir den Einsatz der Teledyne LeCroy WaveStation 3082 oder höher.

  • Die schnellsten Anstiegs- und Abfallzeiten der Generators sind im Bereich von 10 ns. Schnellere Flanken werden verlangsamt durch die Tiefpass-Filterung.

  • Die Amplitude beträgt maximal +/- 3V. Falls höhere Amplituden benötigt werden empfehlen wir den Einsatz der Teledyne LeCroy WaveStation 2012 oder höher.


Das ist eine Applikations-Schrift von Tameq